А где был 002 ? Я в этот же день ехал из Бреста на ЭПгdmkov в Сб янв 28 писал(а):Ехал сегодня на 001 днем на Оршу.
Stadler FLIRT и KISS (электропоезда ЭПг, ЭПр, ЭПм...)
Модератор: Евгений Громов
Re: Stadler FLIRT (электропоезда ЭПг, ЭПр)
Re: Stadler FLIRT (электропоезда ЭПг, ЭПр)
Да, творится что то непонятное.
Ну может Алексей прояснит ситуацию, как появиться.
001 с проблемами в субботу. А ЭПг в субботу был? А где остальные?...
Вечером сегодня еду на Минск, заватра отпишусь, кто был...
Ну может Алексей прояснит ситуацию, как появиться.
001 с проблемами в субботу. А ЭПг в субботу был? А где остальные?...
Вечером сегодня еду на Минск, заватра отпишусь, кто был...
Re: Stadler FLIRT (электропоезда ЭПг, ЭПр)
алексей уже писал что он в отпуске почти что до конца февраля,так что уж очень достоверной информации ждать не приходится
Re: Stadler FLIRT (электропоезда ЭПг, ЭПр)
Да, я в отпуске. Гадать не хочу, будет достоверная информация, напишу. А коментировать этот бардак желания нет.
Re: Stadler FLIRT (электропоезда ЭПг, ЭПр)
Так я и говорю, если что узнаешь, напиши.Алексей писал(а):Гадать не хочу, будет достоверная информация, напишу
Смотрю по видео ты на даче отдыхаешь
-
no more tears
- Сообщения: 101
- Зарегистрирован: 19 окт 2011, 19:53
Re: Stadler FLIRT (электропоезда ЭПг, ЭПр)
Сегодня на Барановичи ЭПг была.
Re: Stadler FLIRT (электропоезда ЭПг, ЭПр)
Вчера вечером была двойка...с неработающим умывальником в санузле... Печально все это.
ЭПг значит была со Жданович (в понедельник менньше рейсов), что тогда сегодня будет?...
ЭПг значит была со Жданович (в понедельник менньше рейсов), что тогда сегодня будет?...
Re: Stadler FLIRT (электропоезда ЭПг, ЭПр)
А сегодня опять ЭПг на Барановичи пошла.
Re: Stadler FLIRT (электропоезда ЭПг, ЭПр)
Ну а сегодня откуда тогда она?... Значит с копейкой проблемы какие то (может отголоски субботнего рейса, о котором я писал). Ну посмотрим... И что то про 003 ничего не пишут (новый маршрут), видимо точно планируют на региональные существующие вместо 001.
Re: Stadler FLIRT (электропоезда ЭПг, ЭПр)
Всего три ЭПг, две ежедневно ходят на Ждановичи и Беларусь, сейчас все поезда восстановлены. Третья машина ходит на Руденск и Колядичи, они не постоянно подвязаны под одни поезда, а каждый день меняются. Если поезд, который утром пришёл с Колядич не гнать в депо, то он хорошо вяжется под Брест. Вечером машина из Бреста не очень хорошо, на всё минута, но вяжется обратно под Колядичи. В связи с проблемами на единице, в субботу там вроде была течь масла из трансформатора, а дверь это так, мелочь, пока ездят так.
Re: Stadler FLIRT (электропоезда ЭПг, ЭПр)
Ну возможно и так, я тоже по расписанию глянул, с колядичами стыкуется...
Ну а 001 значит не восстановили, раз не ходит. Может субботняя Орша добила...Алексей писал(а):в субботу там вроде была течь масла из трансформатора
Re: Stadler FLIRT (электропоезда ЭПг, ЭПр)
001 порезать нафиг,вместо неё пустить 4031/4032 и 4051/4052..)))
Re: Stadler FLIRT (электропоезда ЭПг, ЭПр)
Вчера было точно так, без всяких возможно.dmkov писал(а):Ну возможно и так
Ничего резать не надо, надо не только купить китайские электровозы, но и перенять опыт китайских товарищей по борьбе с ворами, взяточниками и т.д..ТЧ-15 писал(а):001 порезать нафиг,вместо неё пустить 4031/4032 и 4051/4052..)))
Re: Stadler FLIRT (электропоезда ЭПг, ЭПр)
Алексей, красиво говоришь! Только никто не услышит 
А подскажите вот такой вопрос. Прочитал руководство Флирта и увидел, что там место только машиниста. А как у нас их водят, когда ехал не задумывался, и не глянул...
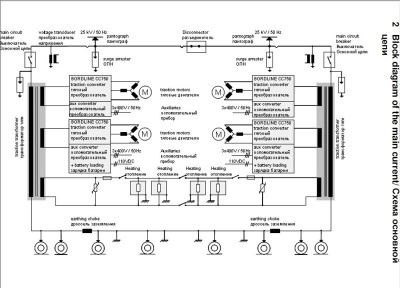
Да ну написано в руководстве как то не очень "четыре выпрямителя переменного тока с одной стороны производят тяговый ток для тяговых электродвигателей" и "установленных поперечно направлению движения асинхронных двигателя". Вообще то асинхронные двигатели питаются переменным током. Видимо имелись возможно ввиду частотники... Они с одной стороны состяот из выпрямителя, но не только, инвертор исчез... Асинхронниками на транспорте управляют частотники.
А подскажите вот такой вопрос. Прочитал руководство Флирта и увидел, что там место только машиниста. А как у нас их водят, когда ехал не задумывался, и не глянул...
Да ну написано в руководстве как то не очень "четыре выпрямителя переменного тока с одной стороны производят тяговый ток для тяговых электродвигателей" и "установленных поперечно направлению движения асинхронных двигателя". Вообще то асинхронные двигатели питаются переменным током. Видимо имелись возможно ввиду частотники... Они с одной стороны состяот из выпрямителя, но не только, инвертор исчез... Асинхронниками на транспорте управляют частотники.
Re: Stadler FLIRT (электропоезда ЭПг, ЭПр)
Место одно, ездим по двое, всё как обычно, через одно место.dmkov писал(а):А подскажите вот такой вопрос. Прочитал руководство Флирта и увидел, что там место только машиниста. А как у нас их водят, когда ехал не задумывался, и не глянул...
Да ну написано в руководстве как то не очень "четыре выпрямителя переменного тока с одной стороны производят тяговый ток для тяговых электродвигателей" и "установленных поперечно направлению движения асинхронных двигателя". Вообще то асинхронные двигатели питаются переменным током. Видимо имелись возможно ввиду частотники... Они с одной стороны состяот из выпрямителя, но не только, инвертор исчез... Асинхронниками на транспорте управляют частотники.
Не корректный перевод, это не выпрямители, а преобразователи.
Re: Stadler FLIRT (электропоезда ЭПг, ЭПр)
Так что второй стоит? Да, действительно через одно место.Алексей писал(а):Место одно, ездим по двое, всё как обычно, через одно место.
И еще забыл, слышал что на ЭПг-001 был установлен рекорд скорости в РБ 170 вроде. Ты в курсе, а где это было, и как это стыкуется с максимальной скоростью Штадлера 160 км/ч
спасибо за то, что ты отвечаешь на мои назойливые вопросы, интересно все это просто.
- Евгений Громов
- Site Admin
- Сообщения: 8529
- Зарегистрирован: 07 дек 2005, 20:41
- Откуда: Место у рельсов
- Контактная информация:
Re: Stadler FLIRT (электропоезда ЭПг, ЭПр)
Была 176 км/ч. 160 + 10%. На испытаниях. Об этом даже есть в новостях у нас на сайте.
Re: Stadler FLIRT (электропоезда ЭПг, ЭПр)
Нет, для второго есть откидное сиденье.dmkov писал(а):Так что второй стоит? Да, действительно через одно место.
И еще забыл, слышал что на ЭПг-001 был установлен рекорд скорости в РБ 170 вроде. Ты в курсе, а где это было, и как это стыкуется с максимальной скоростью Штадлера 160 км/ч
Я ведь писал, максимальная скорость была 180, перегон Доманово – Лесная, даже выкладывал видео http://www.youtube.com/watch?v=-vos4lajIjw
176 необходимо для подтверждения конструкционной скорости. Сама машина при снятии программного ограничения в 160 км/ч. , может развивать скорость в 200 км/ч.. Скоростные испытания были почти неделю, делали до 6 ходок в день, оба пути перегона закрывались для остального движения.
Re: Stadler FLIRT (электропоезда ЭПг, ЭПр)
Спасибо, значит пропустил когда то это!
Да, надо увеличивать скорости допустимые на перегонах. Мечты-мечты...
05.02.12 Еще одна проблема. В ЭПр-002 вроде во 2 вагоне проблемы с отоплением. Умывальник в санузле по прежнему не работает.Проводникам жалуются, они говорят, что поломки записывают в журнал, и... ждут...
Да, надо увеличивать скорости допустимые на перегонах. Мечты-мечты...
05.02.12 Еще одна проблема. В ЭПр-002 вроде во 2 вагоне проблемы с отоплением. Умывальник в санузле по прежнему не работает.Проводникам жалуются, они говорят, что поломки записывают в журнал, и... ждут...
- Artem Matisov
- Сообщения: 13
- Зарегистрирован: 04 фев 2012, 15:18
- Откуда: Барановичи
Re: Stadler FLIRT (электропоезда ЭПг, ЭПр)
Вчера и сегодня в сторону Барановичей-Бреста снова ходила красная эпГ 001.
Что-то странное. Даже если 1 или 2 сломалась, почему не запустить 3 RL..Она же готова полностью.
Что-то странное. Даже если 1 или 2 сломалась, почему не запустить 3 RL..Она же готова полностью.
Re: Stadler FLIRT (электропоезда ЭПг, ЭПр)
8 февраля в прямом эфире Радио Сталіца, на котором я работаю, с 18-30 до 19-00 будет кто-то из отдела пассажирских перевозок БЧ. Будут обсуждать новый формат перевозок, ЭПГ и ЭПР.
Ваши вопросы, написанные здесь ранее, передам ведущей. Может возникли новые?
Ваши вопросы, написанные здесь ранее, передам ведущей. Может возникли новые?
Последний раз редактировалось Terrich 08 фев 2012, 08:49, всего редактировалось 1 раз.
- Artem Matisov
- Сообщения: 13
- Зарегистрирован: 04 фев 2012, 15:18
- Откуда: Барановичи
Re: Stadler FLIRT (электропоезда ЭПг, ЭПр)
Почему на Барановичи-Брест уже регулярно ходят эпГ? Всю неделю в Барановичах наблюдаем городские линии.
Re: Stadler FLIRT (электропоезда ЭПг, ЭПр)
Извиняюсь, эфир 8 февраля, а не января.
Re: Stadler FLIRT (электропоезда ЭПг, ЭПр)
Ну только если еще технический. В поездах возникают некоторые поломки, которые только записываются в журнал и не устраняются, когда и как они будут устраняться. Поезда ведь еще на гарантии.Terrich писал(а):Может возникли новые?
- Wowan
- Сообщения: 3130
- Зарегистрирован: 10 окт 2007, 23:05
- Откуда: трасса М1, Минск — Москва
- Контактная информация:
Re: Stadler FLIRT (электропоезда ЭПг, ЭПр)
rw.by писал(а):Четвертый электропоезд серии ЭПр для региональных линий Белорусской железной дороги прибыл в Беларусь.
В настоящее время состав находится в локомотивном депо Барановичи, где будет проведена его сборка и таможенное оформление.
Ожидается, что в ближайшие дни ЭПр будет отправлен в столицу для наладки и прохождения предэксплуатационных испытаний. Обслуживать и готовить его в рейс будут в моторвагонном депо Минск.
Напомним, 19 марта 2010 года Белорусская железная дорога заключила контракт с компанией «Stadler Bussnang AG» на изготовление и поставку до конца 2012 года 10 современных электропоездов для нового формата пассажирских перевозок, 6 из которых предназначены для городских линий и 4 – для региональных. Таким образом, на сегодняшний день на белорусскую магистраль поступили все 4 электропоезда для региональных линий, предусмотренные контрактом со швейцарской компанией. Что касается электропоездов городских линий, то 3 из них были поставлены в Беларусь в 2011 году и еще 3 поступят в 2012 году.
Источник: пресс-центр БЧ